手 機:19924390438
郵 箱:market@gdhuanmei.com
電 話:020-85681020(華南)
網 址:www.zztyhg.com
地 址:廣州市番禺區番禺大道北555號天安科技園


環美低溫熱泵蒸發器公司引進德國熱泵蒸發器核心部件,在國內進行組裝,并為客戶提供設計,生產,組裝,運行等成套解決方案。
熱泵蒸發技術作為較新和篙效的蒸發技術,廣泛應用于乳化液廢水、電鍍廢水、RO 濃縮液、高鹽廢水、垃圾滲濾液、印染廢水、噴漆廢水、酸洗廢水等諸多行業的濃縮,結晶及干燥。
熱泵蒸發器工作原理是二次蒸汽與生蒸汽的焓差并不大,只是二次蒸汽的壓力和溫度比較低,采用某種辦法提高二次蒸汽的壓力,則二次蒸汽中的熱能可得到反復應用,而此過程需要的外加能量遠小于由此可收回的可利用能量,從而達到節能的目的。在乳品廠,采用帶一個熱泵的雙效蒸發系統,蒸發1kg水,僅需生蒸汽0.44kg,與三效蒸發的效果接近。
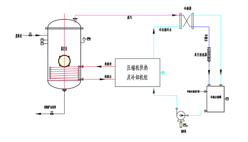
低溫熱泵工藝流程


▲供熱工藝:低溫熱泵蒸發器利用熱泵技術的空氣能提供蒸發所需的能量,所需的能耗也只是用來驅動壓縮機運行的電能,從而大大節省了能量的消耗,實現百分之90以上的節能目的。
▲蒸發工藝:低溫熱泵蒸發器利用真空泵使系統保持高真空狀態,從而使料液沸騰的溫度降低到35-40℃之間,進而增加傳熱效率及蒸發效果。
低溫熱泵技術參數
環美真空低溫熱泵蒸發濃縮器

【蒸發特點】
1、插電即用,無需額外配套蒸汽鍋爐及冷水塔等設備;
2、充分利用熱泵的空氣能,相較于傳統蒸汽或者電加熱蒸發技術,熱泵蒸發技術在能耗上大大降低;
3、超低溫蒸發。真空度達-0.095Mpa以上,蒸發溫度35-40℃。更加適合熱敏性物料。對于腐蝕性物料對設備的腐蝕程度降到蕞低,相較于傳統蒸發器其設備壽命大大延長;
4、超低溫蒸發降低結垢系數,更加適合易結垢物料的蒸發濃縮;
5、模塊化設計。設備結構緊湊,占地面積小,組裝運行快速方便,靜音運行;
6、全自動化控制,一鍵啟動,自動進料,自動出料,斷料報警,24小時無人值守;
7、故障率低,運行穩定,維修方便及保養成本低;
環美真空低溫熱泵蒸發結晶器

低溫熱泵蒸發優勢
相較于傳統蒸發器,低溫熱泵蒸發器有如下優勢:(1)插電即用,無額外配套設施,節能降耗百分之90以上;(2)低溫蒸發,真空度-0.095Mpa以上,蒸發溫度35-40℃;(3)模塊化設計,占地面積小,組裝運行快速方便;(4)全自動化,一鍵啟動,自動進料,出料,斷料報警;(5)故障率低,運行穩定,維修及保養成本低;(6)低震動,低噪音;(7)低溫低腐蝕,延長設備的壽命。
產品圖片


服務熱線
020-85681020(華南)
郵箱:market@gdhuanmei.com
聯系人:周經理19924390438
研發中心:廣州市番禺區番禺大道北555號天安總部中心1號樓9層
生產基地:廣東省韶關市湞江區獅塘路39號

掃一掃,關注環美