手 機:19924390438
郵 箱:market@gdhuanmei.com
電 話:020-85681020(華南)
網 址:www.zztyhg.com
地 址:廣州市番禺區番禺大道北555號天安科技園

項目簡介

項目名稱:銣稀有金屬資源化項目
設備名稱:環美MVR蒸發器
設計能力:4m3/h蒸發濃縮結晶系統
客戶單位:廣東金宇環境科技股份有限公司
設計單位:廣東環美環保產業發展有限公司
進水技術要求

蒸發工藝及材質選擇
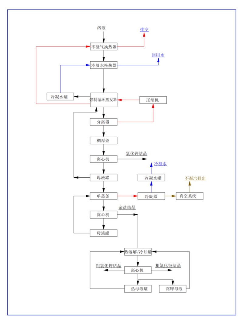
混合溶液是高鉀低鈉溶液,利用氯鹽鉀、鈉溶解度差,實現鉀、鈉分離產出氯化鉀產品和粗氯化鈉產品。
混合氯鹽溶液先 進入MVR強制循環蒸發系統,熱結晶產出氯化鉀結晶,離心分離得到氯化鉀產品,結晶母液循環返回MVR強制循環蒸發器,結晶母液鈉離子逐步升高,必須排出部分高鈉結晶母液進入蒸發斧,蒸發斧濃縮蒸發熱結晶離心產出氯化鉀、氯化鈉混合結晶,結晶母液循環返回蒸發釜,混合結晶進行熱溶解,溶出氯化鉀、氯化鈉,得到氯化鉀、氯化鈉混合溶液和粗氯化鈉,粗氯化鈉對外銷售,混合溶液進行冷卻結晶產出粗氯化鉀,冷卻結晶母液返回熱溶解,粗氯化鉀返回制液工序四段凈化
綜合物料數據及業主的公用工程蒸汽量的情況,本項目采用MVR強制循環蒸發+單效蒸發+熱溶解洗鹽+冷卻結晶的工藝。
由于廢水含有高濃度氯化鈉,對一般材料腐蝕嚴重,故本方案中凡與物料接觸部分的材質均選用TA2/2205,二次蒸汽管道,不凝汽管道選用2205,冷凝水管道材質選擇316L,生蒸汽管道采用Q235B,以滿足工藝需求且達到蕞大性價比。



工藝流程圖

本項目MVR蒸發器工藝優點
1.占地面積小,換熱效率高,維護方便
蒸發器系統設計為MVR蒸發系統,占地面積小,換熱效率高,維護方便。
2.對能耗和設備成本做到較好平衡
為了達到設計的3500kg/h的蒸發量,廢液母液濃縮到結晶,我們采用了單級離心壓縮機提供20℃的溫差,在保證達到以上兩項參數的同時,設計時同時考慮到運行成本,保證壓縮機蒸發每噸水的能耗,極大的降低了處理每噸水的能耗。設備使用壽命長。核心零配件全部采用一線品牌(包括壓縮機、電機、變頻器、傳感器、PLC、CPU等),其中壓縮機轉子材質為TC4,抗腐蝕性強;其控制柜零配件均采用一線品牌;和原液接觸部分使用TA2,保證其足夠的強度和換熱效果,主體設備保用10年以上。
3.系統智能化程度高
系統具HABS(熱量自動平衡系統);ADS(自動排料系統,不需要傳感器,通過數據庫分析自動出料),AES(專家系統,通過對數據庫的分析,綜合得出系統的參數報表);SPS(系統自保護功能,能夠根據系統傳感器信號,感知問題,提出解決問題方案);FD(安 全模式,當系統出現較小問題,且可在短時間內得到解決,系統可在不停機的情況下進入安 全模式,待系統解決問題后,系統即可進入征程蒸發狀態)。
4.系統具有良好的穩定性
經過大量的MVR蒸發器運行得到的數據分析可知,導致系統不穩定的蕞大原因就是系統熱量不平衡,即壓縮機提供的熱量不足以提供所蒸發水量的能耗,導致系統蒸發水量達不到設計蒸發量,蒸發每噸水能耗高于設計值,因此本方案中加入了HABS(熱量自動平衡系統),通過溫度、流量、壓力、液位等傳感器回傳信號,PLC控制系統自動保持系統熱量平衡,確保系統能夠連續穩定運行。
5.自動清洗系統
在進入蒸發器前,由于本系統實行低溫、低溫差蒸發,降低了設備結垢的可能性。但設備經過長期(根據物料是否含有、或者含有結垢物質的多少來定)的運行,不可避免的會有結垢現象出現,當出現結垢現象而導致設備蒸發能力下降時,可以使用本系統自動清洗系統,系統會根據系統設定的定期清洗時間從清洗罐泵入清洗液(可根據實際要求,可為弱酸弱堿、或者直接為清水),其清洗過程同蒸發過程一樣,清洗后的清洗液泵入原液混合一起蒸發處理。
6.壓縮機采用變頻控制電機驅動
變頻控制可以讓風機在蕞佳轉速下運行,消 除入口導葉損失;通過軟啟動,降低對整個系統的沖擊,延長壓縮機和電機的使用壽命。當需要在低于系統設計能力的情況下運行時,通過調節變頻器可以保證系統的經濟運行。
7.有效除沫
兩級除霧實施確保除霧效果:在本項目中,為了防止大液滴從二次蒸汽出口飛濺出去,在分離器內及二次蒸汽出口設置了折流式、旋流式并連的曲折通道除霧裝置,可將上升蒸汽中的較大液滴分離下來,除霧器能夠分離二次蒸汽中夾帶的微小液滴,二次蒸汽通過分離器里兩級除霧分離,蒸汽中的液滴夾帶可降低到0.1%,這將極大的提高蒸餾水的品質,延長了設備的使用壽命,確保壓縮機長期穩定運行。夾帶部分飛沫的蒸汽進入分離器后在離心作用下使液體飛沫附著在器壁上,部分泡沫經過高 效除沫器去除。蒸汽從分離室出汽口進入到壓縮機入口。
8.防止跑料
我司特別設計制造的除沫裝置可以高 效的截流二次蒸汽中夾帶的霧沫液滴,提高了冷凝水質量,減小二次蒸汽對設備的腐蝕。本裝置保證有效的防止了泡沫夾帶料液的現象,同時也大大降低了蒸發出冷凝水中鹽分的量,以延長了設備的使用壽命。
9.出料結晶方式
在蒸發時,由于有機物的濃縮也跟著富集,故在初始階段,主要為無機鹽的階段,采用離心機進行結晶鹽的分離,待有機物的濃度影響到結晶鹽的成核,無法進行有效的分離時,此部分濃縮液排出。
10.自動化程度高
先 進的自動化技術:采用先 進的自動控制系統,配備自動化系統,能實現進料自動控制,加熱溫度自動控制,出料濃度自動控制。工業電腦通過動畫顯示工藝流程圖和各項工藝參數,操作人只需要點鼠標就可完成全過程,自動控制系統將對系統工藝參數進行全自動顯示和記錄,大大降低勞動強度。工業控制計算機同時對系統運行狀態進行判斷,對局部出現的狀況進行報警和操作指導,提高了系統故障處理的響應速度和控制能力。
環美MVR蒸發器簡介

廣東環美MVR蒸發器是一種主要應用于制藥行業的新型高 效節能蒸發設備,該設備采用低溫與低壓汽蒸技術和清潔能源為能源產生蒸汽,將媒介中的水分離出來,是國際先 進的蒸發技術,是替代傳統蒸發器的升級換代產品。MVR蒸發器不同于普通單效降膜或多效降膜蒸發器,MVR為單體蒸發器,集多效降膜蒸發器于一身,根據所需產品濃度不同采取分段式蒸發。

廣東環美MVR蒸發器100%循環利用二次蒸汽的潛熱,大大減少了能源消耗,運行成本低;取消了循環冷卻水系統供應系統;結構緊湊,占地面積小;特別適合于小空間建設;自動化程度高,完全采用自動控制。已成功應用于危廢行業、鋰電池行業、化工行業、生物發酵行業、制藥行業等工業污水零排放領域。




服務熱線
020-85681020(華南)
郵箱:market@gdhuanmei.com
聯系人:周經理19924390438
研發中心:廣州市番禺區番禺大道北555號天安總部中心1號樓9層
生產基地:廣東省韶關市湞江區獅塘路39號

掃一掃,關注環美