手 機:19924390438
郵 箱:market@gdhuanmei.com
電 話:020-85681020(華南)
網 址:www.zztyhg.com
地 址:廣州市番禺區番禺大道北555號天安科技園


項目名稱:料液蒸發濃縮系統處理項目
設備名稱:低溫熱泵蒸發裝置
設計能力:額定蒸發量0.6T/H
客戶單位:鶴山華美金屬制品有限公司
設計單位: 廣東環美環保產業發展有限公司
物料情況及設備選型

01 物料情況 二價錫2g/L及苯酚磺酸1.5%、進料0.6噸每小時、二價錫濃縮出料濃度45g/L、則蒸發水量573kg每小時(忽略密度變化)。物料接觸部分采用鈦材TA2、其余不銹鋼316L等, 02 設備選型及材質 無蒸汽可用、考慮運行成本、推薦采用環美低溫熱泵蒸發器。 物料成分復雜,物料接觸部分材質采用TA2、氟合金、其余316L或碳鋼。
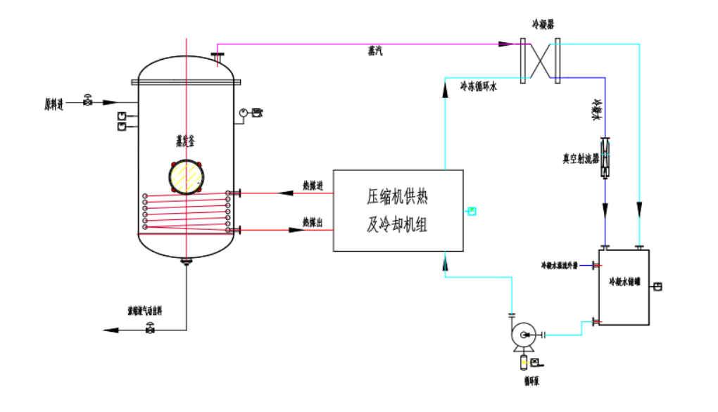
低溫熱泵工藝流程


▲物料走向:物料經進料泵進入分離器,在強制泵作用下不斷在加熱器和分離器之間循環、開啟冷媒循環裝置,給物料加熱及二次蒸汽冷凝,使水分不斷蒸發。在物料蒸發的過程中,通過真空吸力不斷的補料,從而達到濃縮目的,濃縮液進儲罐。
▲蒸汽走向:蒸汽走向:冷媒壓縮后給物料加熱,蒸發出來二次蒸汽進入冷凝器與減壓后的冷媒換熱冷凝,冷凝水進入冷凝水儲罐。
低溫熱泵技術參數
環美真空低溫熱泵蒸發濃縮器

環美真空低溫熱泵蒸發結晶器

【蒸發特點】
1、插電即用,無需額外配套蒸汽鍋爐及冷水塔等設備;
2、充分利用熱泵的空氣能,相較于傳統蒸汽或者電加熱蒸發技術,熱泵蒸發技術在能耗上大大降低;
3、超低溫蒸發。真空度達-0.095Mpa以上,蒸發溫度35-40℃。更加適合熱敏性物料。對于腐蝕性物料對設備的腐蝕程度降到蕞低,相較于傳統蒸發器其設備壽命大大延長;
4、超低溫蒸發降低結垢系數,更加適合易結垢物料的蒸發濃縮;
5、模塊化設計。設備結構緊湊,占地面積小,組裝運行快速方便,靜音運行;
6、全自動化控制,一鍵啟動,自動進料,自動出料,斷料報警,24小時無人值守;
7、故障率低,運行穩定,維修方便及保養成本低;
產品圖片


相較于傳統蒸發器,低溫熱泵蒸發器有如下優勢:(1)插電即用,無額外配套設施,節能降耗90%以上;(2)低溫蒸發,真空度-0.095Mpa以上,蒸發溫度35-40℃;(3)模塊化設計,占地面積小,組裝運行快速方便;(4)全自動化,一鍵啟動,自動進料,出料,斷料報警;(5)故障率低,運行穩定,維修及保養成本低;(6)低震動,低噪音;(7)低溫低腐蝕,延長設備的壽命。


服務熱線
020-85681020(華南)
郵箱:market@gdhuanmei.com
聯系人:周經理19924390438
研發中心:廣州市番禺區番禺大道北555號天安總部中心1號樓9層
生產基地:廣東省韶關市湞江區獅塘路39號

掃一掃,關注環美